decor

Project Highlights

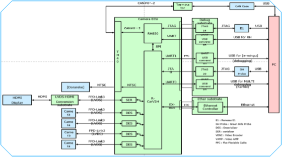
  • Project delivers a surround-view camera ECU and companion HMI application that fuse multiple camera feeds into a real-time 360° bird’s-eye view for the driver.
  • This camera ECU implements advanced vision algorithms (lane and parking-line detection, static/moving object recognition, cross traffic alerts) on embedded Linux in Renesas RH850 hardware, and it can be ported across different vehicle models via standard automotive interfaces.
     
decor

About Client

Industry:Automotive
Location:Japan
decor

Client Needs

Client required the Surround View Camera ECU together with HMI application to enhance vehicle safety and parking assistance through advanced imaging and detection features:

  • 360° Surround/Bird’s-Eye View: A stitched top-down view of the vehicle’s surroundings on the dashboard, eliminating blind spots.
  • Automatic Parking and Alerts: Hands-free parking support with trajectory guidance and audible/visual alerts for obstacles.
  • Parking Line Recognition: Computer-vision capability to identify parking-space markings (even in empty spots) for autonomous parking maneuvers.
  • Static/Moving Object Detection: Identification of nearby vehicles, pedestrians or other obstacles – whether parked or in motion – to trigger timely.
  • Cross-Traffic Monitoring: Warning of lateral traffic when reversing, using cameras to detect oncoming vehicles at intersections or parking lots.

The Camera ECU should be compatible with multiple car models with different hardware and/or software.
 

decor

Solutions

Provide solutions for development of Camera ECU to address above required functions:

  • Camera Fusion ECU: Developed an embedded ECU using Renesas R-Car/RH850 SoCs running embedded Linux (ulTRON/INTEGRITY kernels) with C/C++ vision software. The ECU corrects fisheye lens distortion and stitches 4+ camera feeds into a single 360° top-down image, displayed on the vehicle’s infotainment/HMI.
  • ADAS Algorithms: Implemented vision algorithms for parking-line and lane detection, static versus moving object classification, and cross-traffic alert. For example, a convolutional neural network identifies vehicles/pedestrians/lane markings in each frame, and control logic triggers alerts as needed.
  • HMI/Infotainment Integration: Built an HMI application (using Qt/QML or similar) that displays the 360° view and overlay alerts on the vehicle’s screen. The system hooks into the standard in-car display, allowing drivers to toggle camera views or get visual/audible collision warnings.
  • Platform-Neutral Design: The software was architected for portability: it uses standard automotive buses (CAN, Ethernet) and middleware so the ECU can integrate with any vehicle’s electronic architecture. This approach ensures seamless use with various HMIs and ADAS frameworks. The modular design allows the porting to new car models with only minor adaptations required.
decor

Technologies:

  • ulTRON and INTEGRITY Linux Kernel for RCarV2H and RH850
  • C, Computer Vision
  • FPD-Link3, YUV422, I2C, CAN, SOTA, FOTA
decor

Benefits

  • Enhanced Safety: The 360° view and real-time object alerts significantly reduce blind spots. Drivers gain a panoramic view around the car, which studies show helps avoid curb scrapes and minor collisions by alerting nearby obstacles. Integrated cross-traffic warnings further prevent accidents when backing out of spaces.
  • Improved Convenience: Automated parking guidance and lane overlays simplify difficult maneuvers. Parking-line recognition enables hands-free parking even in empty spots, and visual guidance helps drivers fit into tight spaces, minimize the parking errors.
  • Seamless Integration: By using common protocols and a modular software stack, the solution plugs into existing vehicle systems. It works on different types of HMI screens and can be easily integrated with other vehicles with different hardware/software.
decor

Contact Us

Share with us your challenges. We are here to support.

Name *
Email *
Company *
Country *
ex. United States
AndorraAndorra
United Arab EmiratesUnited Arab Emirates
AfghanistanAfghanistan
Antigua and BarbudaAntigua and Barbuda
AnguillaAnguilla
AlbaniaAlbania
ArmeniaArmenia
AngolaAngola
ArgentinaArgentina
American SamoaAmerican Samoa
AustriaAustria
AustraliaAustralia
ArubaAruba
Åland IslandsÅland Islands
AzerbaijanAzerbaijan
Bosnia and HerzegovinaBosnia and Herzegovina
BarbadosBarbados
BangladeshBangladesh
BelgiumBelgium
Burkina FasoBurkina Faso
BulgariaBulgaria
BahrainBahrain
BurundiBurundi
BeninBenin
BermudaBermuda
Brunei DarussalamBrunei Darussalam
BoliviaBolivia
BrazilBrazil
BahamasBahamas
BhutanBhutan
BotswanaBotswana
BelarusBelarus
BelizeBelize
CanadaCanada
Cocos (Keeling) IslandsCocos (Keeling) Islands
Congo, Democratic Republic of theCongo, Democratic Republic of the
Central African RepublicCentral African Republic
CongoCongo
SwitzerlandSwitzerland
Cote d'IvoireCote d'Ivoire
Cook IslandsCook Islands
ChileChile
CameroonCameroon
ChinaChina
ColombiaColombia
Costa RicaCosta Rica
CubaCuba
Cape VerdeCape Verde
CuraçaoCuraçao
Christmas IslandChristmas Island
CyprusCyprus
Czech RepublicCzech Republic
GermanyGermany
DjiboutiDjibouti
DenmarkDenmark
DominicaDominica
Dominican RepublicDominican Republic
AlgeriaAlgeria
EcuadorEcuador
EstoniaEstonia
EgyptEgypt
Western SaharaWestern Sahara
EritreaEritrea
SpainSpain
EthiopiaEthiopia
FinlandFinland
FijiFiji
Falkland IslandsFalkland Islands
Federated States of MicronesiaFederated States of Micronesia
Faroe IslandsFaroe Islands
FranceFrance
GabonGabon
United KingdomUnited Kingdom
GrenadaGrenada
GeorgiaGeorgia
GuernseyGuernsey
GhanaGhana
GibraltarGibraltar
GreenlandGreenland
GambiaGambia
GuineaGuinea
Equatorial GuineaEquatorial Guinea
GreeceGreece
GuatemalaGuatemala
GuamGuam
Guinea-BissauGuinea-Bissau
GuyanaGuyana
Hong KongHong Kong
HondurasHonduras
CroatiaCroatia
HaitiHaiti
HungaryHungary
IndonesiaIndonesia
IrelandIreland
IsraelIsrael
Isle of ManIsle of Man
IndiaIndia
IraqIraq
IranIran
IcelandIceland
ItalyItaly
JerseyJersey
JamaicaJamaica
JordanJordan
JapanJapan
KenyaKenya
KyrgyzstanKyrgyzstan
CambodiaCambodia
KiribatiKiribati
ComorosComoros
Saint Kitts and NevisSaint Kitts and Nevis
North KoreaNorth Korea
South KoreaSouth Korea
KuwaitKuwait
Cayman IslandsCayman Islands
KazakhstanKazakhstan
LaosLaos
LebanonLebanon
Saint LuciaSaint Lucia
LiechtensteinLiechtenstein
Sri LankaSri Lanka
LiberiaLiberia
LesothoLesotho
LithuaniaLithuania
LuxembourgLuxembourg
LatviaLatvia
LibyaLibya
MoroccoMorocco
MonacoMonaco
MoldovaMoldova
MontenegroMontenegro
Saint Martin (French Part)Saint Martin (French Part)
MadagascarMadagascar
Marshall IslandsMarshall Islands
North MacedoniaNorth Macedonia
MaliMali
BurmaBurma
MongoliaMongolia
MacaoMacao
Northern Mariana IslandsNorthern Mariana Islands
MartiniqueMartinique
MauritaniaMauritania
MontserratMontserrat
MaltaMalta
MauritiusMauritius
MaldivesMaldives
MalawiMalawi
MexicoMexico
MalaysiaMalaysia
MozambiqueMozambique
NamibiaNamibia
New CaledoniaNew Caledonia
NigerNiger
Norfolk IslandNorfolk Island
NigeriaNigeria
NicaraguaNicaragua
NetherlandsNetherlands
NepalNepal
NauruNauru
NiueNiue
New ZealandNew Zealand
OmanOman
PanamaPanama
PeruPeru
French PolynesiaFrench Polynesia
Papua New GuineaPapua New Guinea
PhilippinesPhilippines
PakistanPakistan
PolandPoland
Puerto RicoPuerto Rico
PalestinePalestine
PortugalPortugal
PalauPalau
ParaguayParaguay
QatarQatar
ReunionReunion
RomaniaRomania
SerbiaSerbia
RussiaRussia
RwandaRwanda
Saudi ArabiaSaudi Arabia
Solomon IslandsSolomon Islands
SeychellesSeychelles
SudanSudan
SwedenSweden
SingaporeSingapore
SloveniaSlovenia
SlovakiaSlovakia
Sierra LeoneSierra Leone
San MarinoSan Marino
SenegalSenegal
SomaliaSomalia
SurinameSuriname
South SudanSouth Sudan
Sao Tome and PrincipeSao Tome and Principe
El SalvadorEl Salvador
SyriaSyria
SwazilandSwaziland
Turks and Caicos IslandsTurks and Caicos Islands
ChadChad
TogoTogo
ThailandThailand
TajikistanTajikistan
TokelauTokelau
Timor-LesteTimor-Leste
TurkmenistanTurkmenistan
TunisiaTunisia
TongaTonga
TurkeyTurkey
Trinidad and TobagoTrinidad and Tobago
TuvaluTuvalu
TaiwanTaiwan
TanzaniaTanzania
UkraineUkraine
UgandaUganda
United StatesUnited States
UruguayUruguay
UzbekistanUzbekistan
Holy See (Vatican City State)Holy See (Vatican City State)
Saint Vincent and the GrenadinesSaint Vincent and the Grenadines
VenezuelaVenezuela
Virgin Islands, BritishVirgin Islands, British
Virgin Islands, U.S.Virgin Islands, U.S.
VietnamVietnam
VanuatuVanuatu
Wallis and FutunaWallis and Futuna
SamoaSamoa
YemenYemen
MayotteMayotte
South AfricaSouth Africa
ZambiaZambia
ZimbabweZimbabwe
Phone
(+1)

AndorraAndorra(+376)
United Arab EmiratesUnited Arab Emirates(+971)
AfghanistanAfghanistan(+93)
Antigua and BarbudaAntigua and Barbuda(+1 268)
AnguillaAnguilla(+1 264)
AlbaniaAlbania(+355)
ArmeniaArmenia(+374)
AngolaAngola(+244)
ArgentinaArgentina(+54)
American SamoaAmerican Samoa(+1 684)
AustriaAustria(+43)
AustraliaAustralia(+61)
ArubaAruba(+297)
Åland IslandsÅland Islands(+358)
AzerbaijanAzerbaijan(+994)
Bosnia and HerzegovinaBosnia and Herzegovina(+387)
BarbadosBarbados(+1 246)
BangladeshBangladesh(+880)
BelgiumBelgium(+32)
Burkina FasoBurkina Faso(+226)
BulgariaBulgaria(+359)
BahrainBahrain(+973)
BurundiBurundi(+257)
BeninBenin(+229)
BermudaBermuda(+1 441)
Brunei DarussalamBrunei Darussalam(+673)
BoliviaBolivia(+591)
BrazilBrazil(+55)
BahamasBahamas(+1 242)
BhutanBhutan(+975)
BotswanaBotswana(+267)
BelarusBelarus(+375)
BelizeBelize(+501)
CanadaCanada(+1)
Cocos (Keeling) IslandsCocos (Keeling) Islands(+61)
Congo, Democratic Republic of theCongo, Democratic Republic of the(+243)
Central African RepublicCentral African Republic(+236)
CongoCongo(+242)
SwitzerlandSwitzerland(+41)
Cote d'IvoireCote d'Ivoire(+225)
Cook IslandsCook Islands(+682)
ChileChile(+56)
CameroonCameroon(+237)
ChinaChina(+86)
ColombiaColombia(+57)
Costa RicaCosta Rica(+506)
CubaCuba(+53)
Cape VerdeCape Verde(+238)
CuraçaoCuraçao(+599)
Christmas IslandChristmas Island(+61)
CyprusCyprus(+357)
Czech RepublicCzech Republic(+420)
GermanyGermany(+49)
DjiboutiDjibouti(+253)
DenmarkDenmark(+45)
DominicaDominica(+1 767)
Dominican RepublicDominican Republic(+1 809)
AlgeriaAlgeria(+213)
EcuadorEcuador(+593)
EstoniaEstonia(+372)
EgyptEgypt(+20)
Western SaharaWestern Sahara(+212)
EritreaEritrea(+291)
SpainSpain(+34)
EthiopiaEthiopia(+251)
FinlandFinland(+358)
FijiFiji(+679)
Falkland IslandsFalkland Islands(+500)
Federated States of MicronesiaFederated States of Micronesia(+691)
Faroe IslandsFaroe Islands(+298)
FranceFrance(+33)
GabonGabon(+241)
United KingdomUnited Kingdom(+44)
GrenadaGrenada(+1 473)
GeorgiaGeorgia(+995)
GuernseyGuernsey(+44)
GhanaGhana(+233)
GibraltarGibraltar(+350)
GreenlandGreenland(+299)
GambiaGambia(+220)
GuineaGuinea(+224)
Equatorial GuineaEquatorial Guinea(+240)
GreeceGreece(+30)
GuatemalaGuatemala(+502)
GuamGuam(+1 671)
Guinea-BissauGuinea-Bissau(+245)
GuyanaGuyana(+592)
Hong KongHong Kong(+852)
HondurasHonduras(+504)
CroatiaCroatia(+385)
HaitiHaiti(+509)
HungaryHungary(+36)
IndonesiaIndonesia(+62)
IrelandIreland(+353)
IsraelIsrael(+972)
Isle of ManIsle of Man(+44)
IndiaIndia(+91)
IraqIraq(+964)
IranIran(+98)
IcelandIceland(+354)
ItalyItaly(+39)
JerseyJersey(+44)
JamaicaJamaica(+1 876)
JordanJordan(+962)
JapanJapan(+81)
KenyaKenya(+254)
KyrgyzstanKyrgyzstan(+996)
CambodiaCambodia(+855)
KiribatiKiribati(+686)
ComorosComoros(+269)
Saint Kitts and NevisSaint Kitts and Nevis(+1 869)
North KoreaNorth Korea(+850)
South KoreaSouth Korea(+82)
KuwaitKuwait(+965)
Cayman IslandsCayman Islands(+1 345)
KazakhstanKazakhstan(+7)
LaosLaos(+856)
LebanonLebanon(+961)
Saint LuciaSaint Lucia(+1 758)
LiechtensteinLiechtenstein(+423)
Sri LankaSri Lanka(+94)
LiberiaLiberia(+231)
LesothoLesotho(+266)
LithuaniaLithuania(+370)
LuxembourgLuxembourg(+352)
LatviaLatvia(+371)
LibyaLibya(+218)
MoroccoMorocco(+212)
MonacoMonaco(+377)
MoldovaMoldova(+373)
MontenegroMontenegro(+382)
Saint Martin (French Part)Saint Martin (French Part)(+590)
MadagascarMadagascar(+261)
Marshall IslandsMarshall Islands(+692)
North MacedoniaNorth Macedonia(+389)
MaliMali(+223)
BurmaBurma(+95)
MongoliaMongolia(+976)
MacaoMacao(+853)
Northern Mariana IslandsNorthern Mariana Islands(+1 670)
MartiniqueMartinique(+596)
MauritaniaMauritania(+222)
MontserratMontserrat(+1 664)
MaltaMalta(+356)
MauritiusMauritius(+230)
MaldivesMaldives(+960)
MalawiMalawi(+265)
MexicoMexico(+52)
MalaysiaMalaysia(+60)
MozambiqueMozambique(+258)
NamibiaNamibia(+264)
New CaledoniaNew Caledonia(+687)
NigerNiger(+227)
Norfolk IslandNorfolk Island(+672)
NigeriaNigeria(+234)
NicaraguaNicaragua(+505)
NetherlandsNetherlands(+31)
NepalNepal(+977)
NauruNauru(+674)
NiueNiue(+683)
New ZealandNew Zealand(+64)
OmanOman(+968)
PanamaPanama(+507)
PeruPeru(+51)
French PolynesiaFrench Polynesia(+689)
Papua New GuineaPapua New Guinea(+675)
PhilippinesPhilippines(+63)
PakistanPakistan(+92)
PolandPoland(+48)
Puerto RicoPuerto Rico(+1 787)
PalestinePalestine(+970)
PortugalPortugal(+351)
PalauPalau(+680)
ParaguayParaguay(+595)
QatarQatar(+974)
ReunionReunion(+262)
RomaniaRomania(+40)
SerbiaSerbia(+381)
RussiaRussia(+7)
RwandaRwanda(+250)
Saudi ArabiaSaudi Arabia(+966)
Solomon IslandsSolomon Islands(+677)
SeychellesSeychelles(+248)
SudanSudan(+249)
SwedenSweden(+46)
SingaporeSingapore(+65)
SloveniaSlovenia(+386)
SlovakiaSlovakia(+421)
Sierra LeoneSierra Leone(+232)
San MarinoSan Marino(+378)
SenegalSenegal(+221)
SomaliaSomalia(+252)
SurinameSuriname(+597)
South SudanSouth Sudan(+211)
Sao Tome and PrincipeSao Tome and Principe(+239)
El SalvadorEl Salvador(+503)
SyriaSyria(+963)
SwazilandSwaziland(+268)
Turks and Caicos IslandsTurks and Caicos Islands(+1 649)
ChadChad(+235)
TogoTogo(+228)
ThailandThailand(+66)
TajikistanTajikistan(+992)
TokelauTokelau(+690)
Timor-LesteTimor-Leste(+670)
TurkmenistanTurkmenistan(+993)
TunisiaTunisia(+216)
TongaTonga(+676)
TurkeyTurkey(+90)
Trinidad and TobagoTrinidad and Tobago(+1 868)
TuvaluTuvalu(+688)
TaiwanTaiwan(+886)
TanzaniaTanzania(+255)
UkraineUkraine(+380)
UgandaUganda(+256)
United StatesUnited States(+1)
UruguayUruguay(+598)
UzbekistanUzbekistan(+998)
Holy See (Vatican City State)Holy See (Vatican City State)(+379)
Saint Vincent and the GrenadinesSaint Vincent and the Grenadines(+1 784)
VenezuelaVenezuela(+58)
Virgin Islands, BritishVirgin Islands, British(+1 284)
Virgin Islands, U.S.Virgin Islands, U.S.(+1 340)
VietnamVietnam(+84)
VanuatuVanuatu(+678)
Wallis and FutunaWallis and Futuna(+681)
SamoaSamoa(+685)
YemenYemen(+967)
MayotteMayotte(+262)
South AfricaSouth Africa(+27)
ZambiaZambia(+260)
ZimbabweZimbabwe(+263)
Enquiry *
Check out our Privacy Policy to learn more about how we handle your personal data.
* Required fields
decor banner Left